

















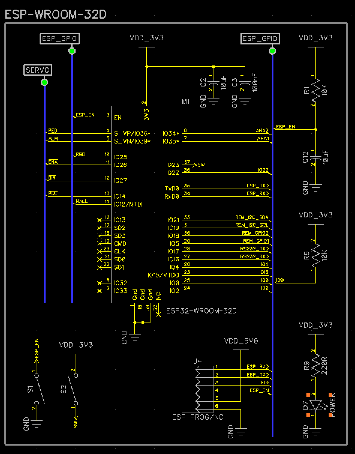
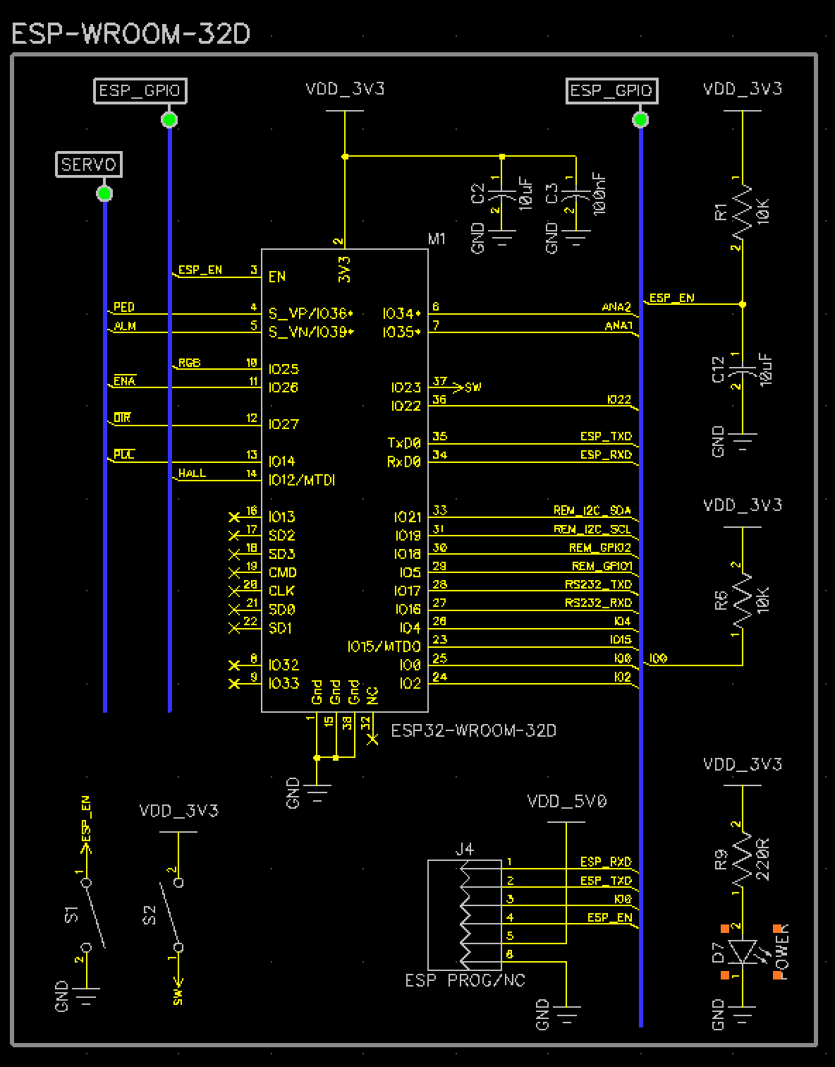
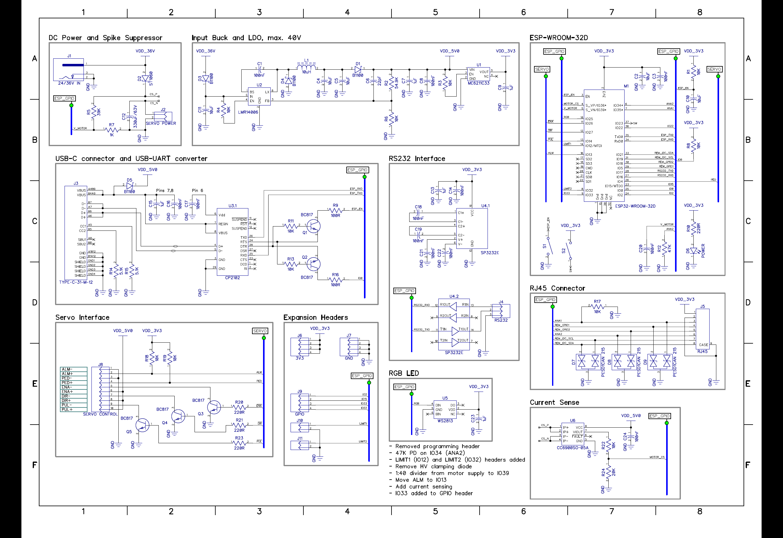
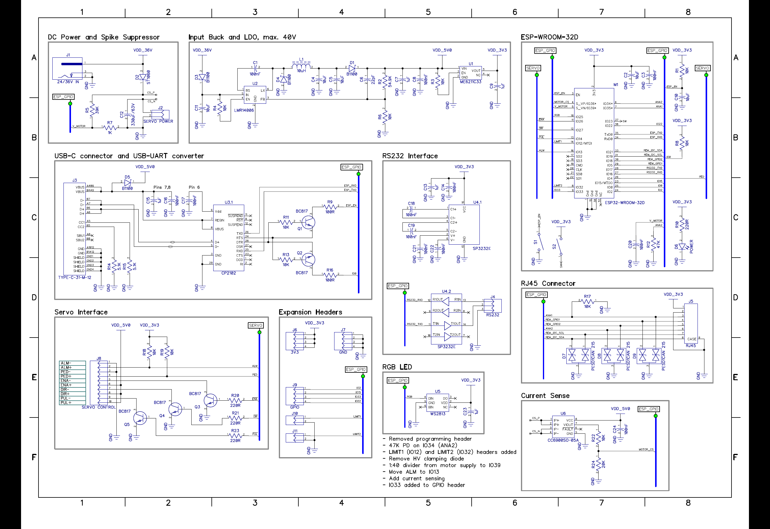
OSSM Electronics Board V2.3
Current lead times:
OSSM PCB & Wired Remote - 2 weeks
Wireless Remote - 4-6 weeks
Updated October 21, 2025
V2.3 Boards:
What's new:
- Large capacitor to improve gold motor stability
- Small regen diode to help prevent over-voltage
Features:
- Now using Genuine GATES belt in hardware kit
- Sensorless homing - no more limit switches 😎
- 4 pin JST PH header for easier wiring to all motors.
- Voltage and Current sensing on motor power
Designed in Discord, packed and kitted in our workshop in Toronto. This board covers all the needs of the stepper or servo based OSSM.
24V power is fed through the board on a 2.1mm barrel jack so that you need not worry about DC to DC voltage conversion.
Pick up a plug and play Motor Wiring Harness to simplify your wiring of the AIM-57 gold motor!
Zero Soldering required
Built with an ESP32 at its core, it is a great choice for many projects!
Some other features;
- Remote control connector, for wired control
- Sensorless homing - no more limit switches
- Auto stroke detection - no manual configuration
- Power supply protection - lets you use a smaller supply
- Purple PCB (OSSM PCB and Remote)- Much Style!
We believe this board offers great value to the sex-tech builder, here is a a breakdown of the comparison cost:
Hardware Kit - includes hardware for main actuator body only
Feature | Amazon.com Cost |
GT2-10mm wide belt | $16 |
GT2 Pulley - 8mm bore, 10mm width | $11 |
Idler Bearings | $10 |
Socket head cap screws | $19 |
Subtotal | $56 USD |
350mm Linear Rail - Stainless Steel
We've bought dozens of different rails, and they are all totally hit or miss on quality. We have finally been able to find a good source for really nice hard chrome plated rail! This means they will not rust or corrode, look beautiful, and they run very smooth. If you don't want to take the gamble on AliExpress, this is for you!
Rails come with a thick packing oil on them. For complete silence we recommend lubricating with grease!
- PS hard chrome ≠ stainless steel, but "hard chrome" doesn't mean anything to a lot of people, so we call it stainless just for simplicity.
PCB Specs:
- 24V input on 2.1mm x 5.5mm barrel jack
- Rated for 5A continuous output to motor, 10A peak
- RS232 out
- 4 GPIO headers
Not everyone coming here may be familiar with the projects so here's some useful links:
- Github where the project lives
- Discord where we discuss the project and many other wonderful things with wonderful people
